欢迎来到杉本机器人!
丨 Chinese 丨 English 丨
服务热线: 13524859392021-5789 5520
杉本机器人
联系人:刘先生 13524859392 liutq@jiqiren-cn.com
王小姐 13651789025 ying@jiqiren-cn.com
电话/TEL:021-5789 5520
传真/FAX:021-5789 6227
地址:上海市松江区车墩镇车新公路158号46幢
邮编:201611
您现在的位置:网站首页 > 专用设备
LP130
规格参数
FD11 控制柜
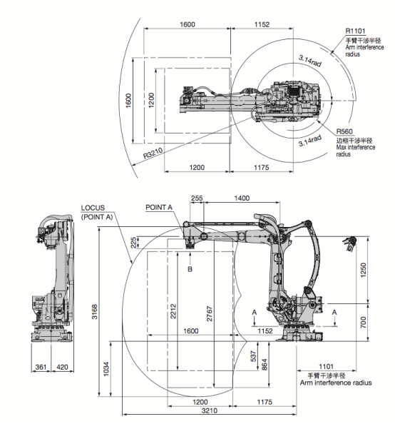
工作范围及外形尺寸
人才招聘